|
    
  
Manual De Despiece Audi A4 (2004-2009) Español
Description
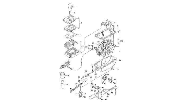
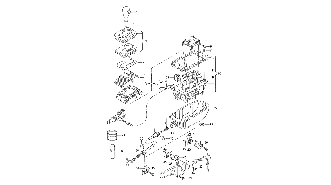
Contiene los numeros de partes de todos los sistemas del vehiculo:
MOTOR - COMBUSTIBLE - ESCAPE - ENFRIAMIENTO - CAJA DE CAMBIOS - EJE DELANTERO - DIRECCION - EJE POSTERIOR - RUEDAS - FRENOS - PEDALES - CUERPO - SISTEMA ELECTRICO
Formato : PDF
Paginas: 500
Envio: Correo electronico
SOLICITE SU MUESTRA al correo ngallardo@intermanuales.cl
Share this product
Si no estas seguro de tu compra
          Puedes solicitar una muestra gratis de tu manual al whatsapp de nuestra tienda que se encuentra al final de la página
Recuerda que éste es un manual digital, no es un libro físico, el cual es enviado por medio de correo electrónico una vez pagado
          
        Featured Reviews
Tal cual la descripción, corresponde al vehículo, recomendado 100%
    
    
    
  Excelente disponibilidad del producto
    
    
    
  Super buen manual esta en inglés pero se traduce y listo! Excelente 
    
    
    
  Muy rápido el envío y muy conpleto
    
    
    
  You might also be interested in one of these
Send us a message
Fill all the fields and send your message. We will reply as soon as possible.
    