SERVICIO DE BÚSQUEDA DE INFORMACIÓN AUTOMOTRIZ
MÁS DE 15 AÑOS DE EXPERIENCIA
|

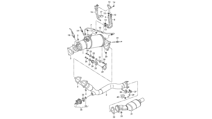
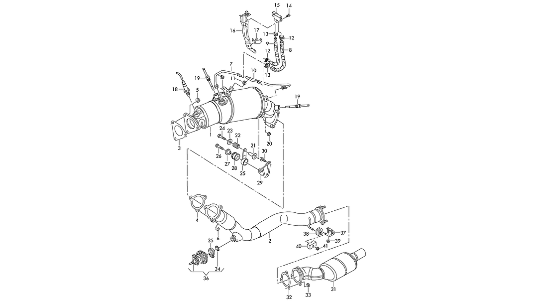
Manual De Despiece Audi S5 (2017-2021) Español

Motor

Descripción

Contiene los numeros de partes de todos los sistemas del vehiculo:

MOTOR - COMBUSTIBLE - ESCAPE - ENFRIAMIENTO - CAJA DE CAMBIOS - EJE DELANTERO - DIRECCION - EJE POSTERIOR - RUEDAS - FRENOS - PEDALES - CUERPO - SISTEMA ELECTRICO

Formato : PDF

Paginas: 500

Envio: Correo electronico

SOLICITE SU MUESTRA al correo ngallardo@intermanuales.cl

¿Necesitas ver el manual antes de comprar?

Puedes solicitar capturas del manual digital vía WhatsApp para revisar el contenido y asegurarte de que es exactamente lo que necesitas antes de realizar tu compra.

¿Ya decidiste comprar?

También puedes pedir un código de descuento exclusivo a través de WhatsApp para utilizarlo al momento de pagar.

Recuerda que éste es un manual digital, no es un libro físico, el cual es enviado por medio de correo electrónico una vez pagado

Reseñas destacadas

El título Nissan NV200 2009-2020 no lo veo representativo. Pues mi NV200 año 2019 motor K9K no lo veo claramente....quizás sea manual para K9K del año 2015 como vi
cumple con el contenido prometido. Este documento a diferencia de otros tiene fotos claras con buena resolucion. Efectivametne esta en español.
Me esta sirviendo bastante el manual para poder reparar. Mi camioneta excelente manual

Mándanos un mensaje

Llena todos los campos y envía tu mensaje. Te responderemos a la brevedad posible.




* Campos obligatorios